PFC
· 开关频率:100KHz
· THD:<5%
· PF:>98.5%
· 输出电压:400V
· 输出纹波:<10V
LLC
· 输入电压范围:370VDC~410VDC
· 开关频率范围:60~200KHz
· 输出电压:12VDC
· 输出电压纹波:120mV(满载)
· 额定功率:160W
· 输入电压:80~270VAC
· 工作电压:90~260VAC
· 输出电压:12V
· 效率:>85%
整机
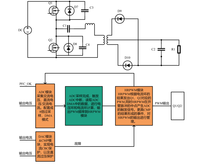
PFC芯片资源使用示意图
PSFB芯片资源使用示意图
泰为电子推出的PFC+LLC数字电源解决方案是由一颗TAE32F5300作为整个数字电源系统的主控芯片。该芯片通过数字化的环路控制实现了相较于模拟方案更好的PF、更低的THD以及更高的功率效率。
数字电源 有桥PFC+LLC方案
TAE32F5300
适用于电力电子领域的大部分单芯片解决方案