泰为电子推出的基于TAE32G5800主控芯片的3kW 三相VIENNA转换器方案结合了TAE32G5800芯片的高性能、高可靠性以及VIENNA拓扑结构的低谐波含量、高功率密度等优势,旨在通过智能化控制和优化设计,实现高效率、高功率密度、低噪声的电源输出,满足现代电子设备对电源的严格要求。
3kW三相VIENNA转换器
相关产品:
参数
规格
频率
额定输出功率
输入电压范围
50Hz
输出电压纹波
功率因数
iTHD
拓扑峰值效率
3000W
>98%
AC 304-456V(线电压),该DEMO只支持380V下测试
>98%
<5%
<40V
三相Vienna拓扑
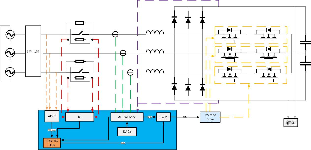
三相维也纳拓扑是一种电力系统拓扑结构。该拓扑利用两个开关管反向串联实现双向开关的作用,当其中一相的双向开关导通时,该相就与直流侧电容的中点相连接,电流通过双向开关流动;当开关管断开时,根据当前状态下电流的流向,上下桥臂其中相应的二极管导通,电流流经二极管。通过这种拓扑结构结合对开关管的有效控制可以实现各相输入电流的正弦化,从而降低了谐波含量。由于每一相的两个开关管控制方式相同,不仅减少了功率器件,降低了电路的成本,同时也降低了控制的复杂程度。这种拓扑结构具有高效、可靠、经济等优点,被广泛应用三相交流电力系统中。
-
2025-05-17 【方案介绍】3kW三相VIENNA转换器方案.zip
끂173 4.18 MB
输入侧保护设计:
· 配置压敏电阻和保险管,提供输入过压保护与输出短路保护等双重防护。
· 集成软启动电路,有效抑制输入浪涌电流,提升系统可靠性。
· 采用输出侧取电架构,突破传统Vienna方案单母线取电限制(辅源从输出直流正负母线处一侧取电)。
· 支持正/负母线动态取电,优化直流母线均压性能。
模块化主控设计:
· 主控板采用可插拔设计,便携维护与升级。
· 通过数据线将主控板的串口与电脑的USB口相连,借助电脑上的上位机软件,对主控板进行指令下发操作,同时能够实时读取主控板的运行状态以及相关数据信息,以便进行监控与调试。
-
2025-05-17 【原理图】3kW三相VIENNA转换器方案.zip
끂141 292.18 KB
-
2025-08-01 【代码】3kW三相VIENNA转换器方案.rar
끂120 239.5 MB
辅源创新设计: