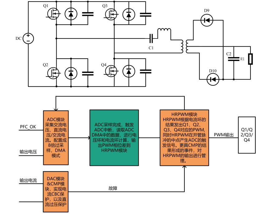
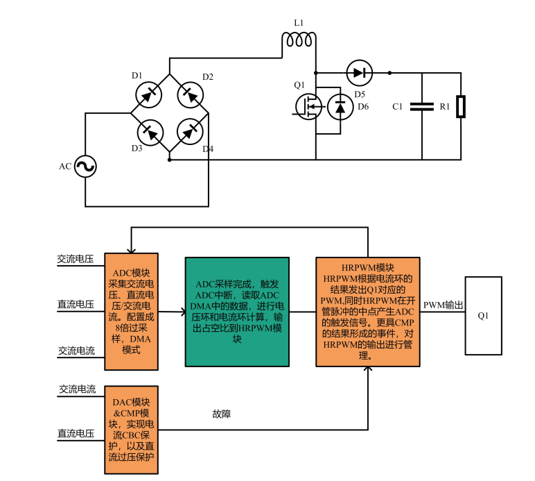
泰为电子推出的有桥PFC+PSFB数字电源解决方案由一颗TAE32F5300作为整个数字电源系统的主控芯片,PFC端对输入电压进行实时检测,同时通过boost的方式实现电流对电压相位的跟踪,从而降低输入电流的THD,提高PF值;PSFB通过控制谐振回路的频率或者相位以达到将输出电压稳定在12V的目的。
ꁲ
有桥PFC+PSFB数字电源
相关产品:
整机
额定功率
输入电压
工作电压
160W
输出电压
效率
THD
开关频率
AC 80V~270V
>85%
AC 90V~260V
100KHz
12V
<5%
PF
>98.5%
PFC
输出电压
输出纹波
400V
<10V
PSFB
输入电压范围
输出电压
输出电压纹波
开关频率
DC 370V~400V
DC 12V
60KHz
120mV(满载)
电路拓扑图
SCHEMATIC
技术参数
PARAMETERS
资料下载
RESOURCES
-
2024-08-15 【方案介绍】有桥PFC-PSFB数字电源.pdf
끂366 2.74 MB
-
2024-08-15 【原理图】有桥PFC-PSFB数字电源.zip
끂178 608.58 KB