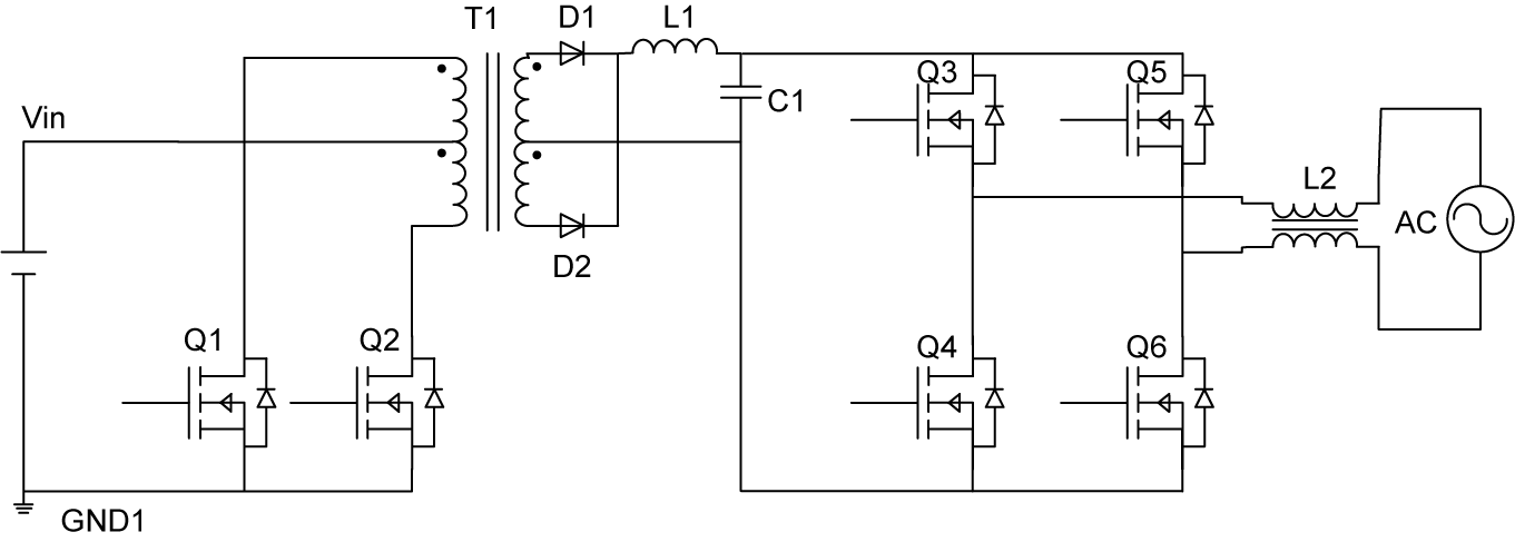
使用泰为电子 TAE32F5300 芯片作为主控芯片实现 800W 微型逆变器的控制。实现反激电源的 DCM 模式控制以及交错反激电源控制。利用软件锁相技术实现对交流电压的相位锁定;选用推挽+全桥逆变的拓扑开发,导通损耗小,具有更高的效率。
ꁲ
800W微型逆变器
相关产品:
方案拓扑
技术参数
参数
规格
输出最大功率
整机峰值效率
iTHD
800W
PF
MPPT峰值效率
电压输入范围
输出电压范围
电压工作范围
>90%
>98%
<10%
DC 22~48V
DC 20~50V
峰值:>0.98 / 半载:>0.96
AC 190~230V /110~130V
输出频率范围
@48~52Hz/@58~62Hz
-
2024-08-21 【说明书】800W微型逆变器.pdf
끂502 608.42 KB
资料下载
-
2024-08-21 【原理图】800W微型逆变器.zip
끂287 2.65 MB
-
2024-08-21 【源代码】800W微型逆变器.zip
끂231 6.54 MB
-
2024-08-21 【测试注意事项】800W微型逆变器.pdf
끂393 222.61 KB