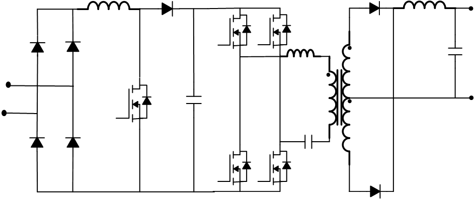
基于泰为电子 TAE32G5800 的 240W Boost PFC_LLC数字电源,实现CRM模式控制,实现全桥LLC控制,提升功率密度,提高效率,降低成本。功率板和主控板采用分离设计,可作为独立的模块进行开发和维护,便于升级和替换。
ꁲ
240W Boost PFC_LLC数字电源
相关产品:
拓扑及框图
技术参数
参数
规格
功率
电压输入范围
电压输出范围
240W
输出最大电流
输出纹波
ITHD
整机峰值效率
AC 90~264V
<350mV
DC 48V
>92%
<5%
5A
方案优势
资料下载
-
2024-11-21 【操作说明】240W Boost PFC_LLC数字电源.rar
끂182 343.44 KB
-
2024-12-02 【原理图】240W Boost PFC_LLC数字电源.rar
끂159 471.4 KB
-
2025-12-09 【代码1】TAE32G58xx_240W_PFC_ReleaseV1.0.2_lib.7z
끂43 309.35 MB
-
2025-12-09 【代码2】TAE32G58xx_240W_LLC_ReleaseV1.02_lib.rar
끂32 323.27 MB