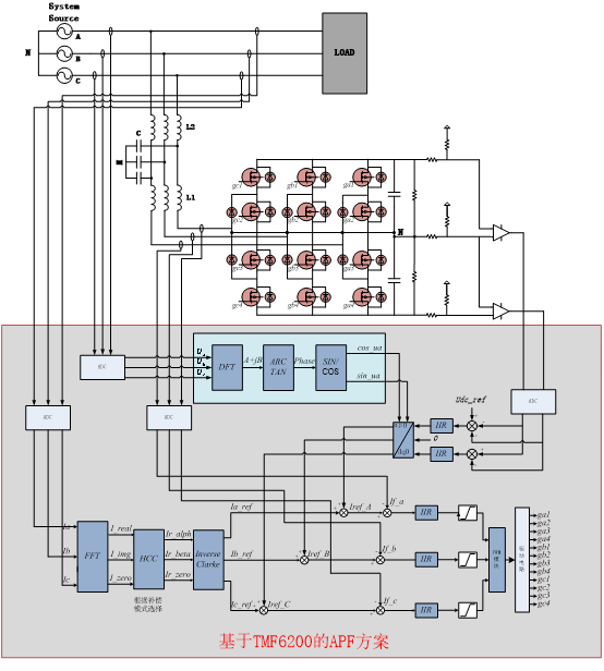
TMF6200系列芯片带有增强型可重构配置处理器ERPU,包含2个SINCOS,3个RMS, 1个4 通道MATRIX 乘法,3个FFT,3个DFT,3个ACRTAN,3个IIR模组(每个IIR模组可拆分成64个2阶IIR),3个FIR(每个FIR模组可拆分成64个2阶FIR),1个DATA DMA 和 1个谐波补偿控制器(Harmonic_Compensation Controller)。通过此处理器ERPU可实现APF的算法、补偿控制
适用芯片
TMF6200采用Cortex-M3核和将SINCOS、RMS、MATRIX乘法、FFT、DFT、ARCTAN、IIR、FIR、DATA DMA等大部分工业算法集成的增强型可重构配置处理器ERPU,具有更丰富的通信接口外设,拥有出色的计算性能和对异常能力的快速响应,可实现高速闭环控制。
TMF6200 适用于电力电子领域的大部分单芯片解决方案。主要应用于电网系统设备控制器,数字电源,光伏逆变器,变频器等电力设备和智能电表、工业及消费级电机、LED 照明、电动汽车和电动自行车、电能质量治理和新能源发电等电力电子相关的多种领域。
